Мы используем файлы cookie, чтобы улучшить ваш опыт. Чтобы соответствовать новой директиве по электронной конфиденциальности, нам нужно получить ваше согласие на установку файлов cookie.
Стальной швеллер – этапы производства, сфера применения, нюансы выбора
Прежде, чем перейти непосредственно к рассмотрению затронутых в названии статьи тезисов, стоит ответить на вопрос – что такое гнутый швеллер и какова сфера его применения? По сути, перед нами один из видов классического швеллера, отличающийся, главным образом, скругленным внешним углом. Данная особенность открывает широкие возможности для потребителя.
В сравнении с классическим горячекатаным швеллером, его гнутая разновидность не имеет такой же высокой прочности. Таким образом, применять его в местах с высокой нагрузкой не представляется возможным, однако эта особенность с лихвой компенсируется достоинствами – его легче обрабатывать и, в частности, легче создавать сварочные конструкции. Еще одно преимущество, которое позволяет пользоваться швеллеру такой большой популярностью – более точный размер габаритов. Компания КТ-Сталь предлагает гнутый стальной швеллер оптом и в розницу по доступным ценам с доставкой по региону.
Какой швеллер выбрать?
Чтобы ответить на данный вопрос требуется разобраться, прежде всего, с технологией производства данного материала. На момент публикации материала различают два вида стальных изделий, каждый из которых соответствует требованиям ГОСТ. Разновидности:
-
Неравнополочный гнутый швеллер – ГОСТ 8281.
-
Равнополочный гнутый швеллер – ГОСТ 8278.
Для создания подобных изделий используются специальные профилегибочные станки, где применяют различные виды стального проката.
Неравнополочный гнутый швеллер
Почему швеллер гнутый?
Одна из наиболее популярных разновидностей – рулонка горячекатаная. По данной технологии меняется кристаллическая решетка стали.
Еще одна разновидность швеллера – рулонная холоднокатаная. Отличный выбор для конструкций, для которых важна высокая устойчивость к деформации. В отличие от предыдущей производственной модели, кристаллическая решетка изменений не претерпевает, что позволяет получить большую прочность готового изделия.
Низколегированный швеллер, в свою очередь, получают из специальных легирующих добавок, призванных повысить эксплуатационные характеристики готового изделия.
Какой швеллер прочнее?
Чтобы ответить на данный вопрос, требуется привести ключевые характеристики данного вида металлопроката и его преимущества для конечного потребителя.
-
Прежде всего – сравнительно небольшой вес.
-
Использовать гнутый швеллер можно для создания конструкций, не требующих применения сварки.
-
Швеллер отлично справляется с большими осевыми нагрузками.
-
При необходимости, изделие также можно варить.
-
При выборе швеллера стоит обращать внимание на точность прокатывания. Различают изделия:
-
Обычной точности.
-
Повышенной точности.
-
Высокой точности.
Какой бывает швеллер?
На данном этапе существует 4 категории конструкции с различными маркировками. Полный перечень:
-
Легкий швеллер с параллельными гранями полок – обозначается как «Л».
-
Внутренние грани полок располагаются под наклоном – обозначение «У».
-
Полки расположены параллельно друг к другу – обозначение «П».
-
Швеллер специального назначения – обозначение «С».

Технические требования и ГОСТы
По существующим требованиям ГОСТ для изготовления гнутого профиля может применяться металл только определенной марки. Стандарты допускают наличие на поверхности швеллера забоин и отпечаток, но признаки брака, оказывающие непосредственное влияние на прочность конструкции, недопустимы – расслоения, зазубрины и затянутая кромка.
Вмятины и забоины на изделиях допускаются по ГОСТ, если размеры изделия не будут выведены за номинальные. А в случае использования низкокачественного профиля, могут присутствовать трещины до 10 миллиметров в местах изгиба для профиля, толщина которого достигает 2 миллиметров.
Данная разновидность металлопроката производится на специальных станках и владельцам производств требуется следить, прежде всего, за калибровкой валков – это наносит прямой удар по качеству готовой продукции.
Швеллер – куда применяется, как крепится?
По существующим стандартам, различают две разновидности монтажа швеллера. Монтировать можно, используя болты либо же, используя сварку.
Маркировка изделий
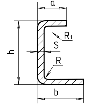
Стандартный способ маркировки швеллер – ВхШхТ. Здесь:
-
В – высота изделия. Стандартные размеры могут варьироваться от 25 до 310 миллиметров (по ГОСТ).
-
Ш – ширина швеллера. Диапазон от 26 до 100 миллиметров.
-
Т – толщина. ГОСТ предписывает применение металла с толщиной до 2 до 6 миллиметров.
Неравнополочный гнутый швеллер ГОСТ 8281-80
На сегодняшний день в продаже представлен швеллер, изготовленный из полуспокойной либо же кипящей углеродистой стали, сопротивление на разрыв которой превышает отметку 460 пунктов. В производстве может быть использована низколегированная и углеродистая сталь, размер сопротивления на разрыв которой также должен превышать 460 единиц.
По этому ГОСТу предусматриваются и предельные отклонения до 90 градусов – они зависят от ширины полки и разделяются на несколько категории.
-
До 100 миллиметров.
-
Больше 100 миллиметров.
-
Швеллеры повышенной прочности.
-
Длина изделия варьируется от 4 до 11,8 метров в соответствии с нуждами клиента, заказавшего металлопрокат.
Неравнополочный гнутый швеллер ГОСТ 8281-80
Какой бывает швеллер — стандарт ГОСТ 8278-83
По данным нормативам, используются специализированные профилегибочные приборы, Где используют заготовки из разных видов стали. Отклонения допустимы, они имеют непосредственное отношение к высоте стенок профиля, а также точности профилирования.
Так, если у производимого швеллера стенка высотой меньше 50 миллиметров, максимально допустимое отклонение – до 1 миллиметра.
Если изделие имеет стенку от 50 до 100 миллиметров, для классов точности (стандартная, и повышенная) погрешность варьируется от 1,25 до 1,5 миллиметров.
Швеллеры высотой от 100 до 150 миллиметров могут иметь такие отклонения:
-
Повышенная и высокая точность – до 1,5 миллиметров.
-
Обычная точность – до 2 миллиметров включительно.
Приобрести швеллер можно как мерной, так и немерной длины – она варьируется от 3 до 11,8 метров. При закупке швеллера немерной длины, разброс материала не может составлять более 7% от массы партии.
Где используется швеллер и почему это удобно и выгодно?
Компания КТ-Сталь предлагает в широком ассортименте гнутый стальной швеллер, обладающий следующими преимуществами:
-
При монтаже изделий можно не использовать сварку (болтовые соединения).
-
Поверхность изделия гладкая.
-
Швеллер легко выдерживает высокое осевое давление.
-
Максимальная совместимость и точность при монтаже.
-
Небольшой вес.
-
Способность справляться с высоким давлением на изгиб.
Где используется?
Отвечая на вопрос о двутавровом швеллере – куда использовать данную разновидность металлопроката, можно привести такие отрасли:
-
Строительство.
-
Реконструкция зданий.
-
Прокладывание коммуникаций.
-
Строительство каркаса.
-
Строительства ложбин воды (ливневки, водоотвод).
-
Создание колонн, свай и других несущих конструкции.
-
Станкостроение, автомобиле- и судостроение.
-
Все сферы домашнего хозяйства.
Где можно купить швеллер?
Компания КТ-Сталь предлагает широкий выбор стальных гнутых изделий по доступным ценам с доставкой в Киеве и Харькове. Использование гнутого швеллера позволяет получить разительную экономию при создании конструкции – до 20% от общей стоимости проекта. Также вес сооружения будет значительно ниже, нежели используя иные конструкционные элементы. Показатели надежности изменений не претерпят.